10分钟理解变频器接线,通俗易懂,深度剖析
10分钟理解变频器接线,通俗易懂,深度剖析
用通俗易懂的方式,带你快速理解变频器接线及原理:
本文通过各方资料及个人理解整合:
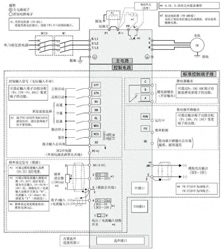
这是三菱变频器,3相380V变频器接线图:后面会把常用的部分剖析,详解!这样更有助于消化,不同变频器接线时参照说明书。
漏型逻辑:

来自网络
一、主回路部分咱们说一下电源输入,和变频器输出;

来自截取
电源线三相接L1,L2,L3或者R,S,T。 电机部分接到U,V,W 然后地线端子接地。(这里要注意变频器的接地一定要接到变频器的专用接地端子)
可以这样理解,主电路电源三相380V,当变频器有信号时电机U,V,W得电,电机工作。
二、控制回路部分:开关量控制变频器
变频器内部有切换SINK漏型和SOURCE源型的跳线开关。
1、什么是变频器漏型逻辑?
当信号输入端子流出电流时,信号变为ON,为漏型逻辑。接点信号端子SD为公共端

截取图片,漏型逻辑
例1:开关按钮接正反转,其他端子同理

按图接好线后,将参数Pr.79 设为2(外部操作模式)启动信号由外部端子(STF,STR)输入
按下SB1,电机正转启动,按下SB2,反向启动。
例2:(PLC继电器输出)PLC控制变频器正反转。

PLC是继电器输出
因为PLC继电器输出,这里就可以把PLC想成是一根导线,SD是公共端。当PLC输出端Y001有输出信号时,形成回路,电机正转。Y002输出时,电机反转。
源型逻辑:

2、什么是变频器源型逻辑?
当信号输入端子流入电流时,信号变为ON,为源型逻辑。接点输入端子PC为公共端

截取图片,源型逻辑
【1】当PLC晶体管输出模块,控制变频器接线时:

前面文章讲过,晶体管输出要接直流电源
所以当PLC晶体管输出模块,控制变频器时接公共端接PC端(DC24V电源,外部电源晶体管公共端)
提醒一下,刚入门不要看太多接线方式,把常用的接线方式记住,分析清楚。然后慢慢深入。
三、模拟量输入端子:

10频率设定用电源作为外部连接频率设定器时的端子
2频率设定(电压)输入DC0-5V(或0-10V)
5是公共端
4频率设定(电流)输入DV4-20mA
1、通过改变端子的电压和电流的输入值,来改变电机的转速。
2、将这些端子与PLC模拟量输出端子相连,因为模拟量是连续变化的量,这样就可以利用PLC模拟量控制实现电机的无级变速。
例:电位器接线,如下图:(旋转电位器按钮就可以控制电机的速度)

截取
例:(电压)PLC模拟量输出模块连接变频器时,V+接2,V-接5(公共端)

网络截取,输出模块控制变频器,只接2和5
1.通过模拟量输出模块,在2和5间产生0-5V或0-10V的模拟量电压,来控制电动机转速。
2.因为模拟量是连续变化的量,这样就可以利用PLC模拟量控制实现电机的无级变速。
四、继电器输出(或者是晶体管输出)常接报警

A常开点,B常闭点,C 公共端,其实就是继电器的常开和常闭点,可以通过PR.192参数来更改ABC继电器动作的功能。
例:如图,当变频器出行异常时,A,C接通,X001输入ON,去控制程序

网络截取编辑
-
- 日本福岛不是岛屿,是日本面积第三大的县,还是日本的菜篮子
-
2025-12-17 03:46:19
-
- 柯洁正式保送清华大学
-
2025-12-17 03:44:05
-
- Mamba Never Out!(曼巴永远都在!)
-
2025-12-17 03:41:50
-
- 4本温馨治愈文,男主偏执病娇,冷酷狠绝,唯独对女主温柔宠溺
-
2025-12-17 03:39:36
-
- 虽不体面,但却很赚钱,这些农村项目很值得推荐!
-
2025-12-17 03:37:22
-
- 00后小时候看的动画片,快来瞅瞅自己看过几部
-
2025-12-17 03:35:07
-
- 平鑫涛前妻88岁写书手撕昔日第三者琼瑶:她不原谅并非不善良
-
2025-12-17 03:32:53
-
- 九日山
-
2025-12-17 03:30:38
-
- 董宝珍:中国股市已发生战略转折
-
2025-12-17 03:28:24
-
- 英国的君主立宪制是怎么来的?
-
2025-12-17 03:26:10
-
- 四十九回-【非洲刚果(金)】-首都金沙萨(法语:Kinshasa)
-
2025-12-17 03:23:55
-
- 谈谈戏曲中封箱那些事
-
2025-12-17 03:21:41
-
- 临沂2019年房地产市场年报分析
-
2025-12-17 03:19:27
-
- 四川奇泉“马兰钱”铜币,十几年一直在低调的升值
-
2025-12-17 03:17:12
-
- 散打人物|他被誉为“东方神腿”,出身传武,一招打晕欧洲高手
-
2025-12-17 03:14:58
-
- 蒙古人的发源地是在蒙古国还是中国境内?
-
2025-12-17 03:12:43
-
- 威廉王子的三个孩子全部就读马尔堡学院,曾是凯特王妃的母校
-
2025-12-16 19:12:59
-
- 四川黑竹沟有多可怕,为何有去无回?七大危险令人防不胜防!
-
2025-12-16 19:10:46
-
- 经典入坑题材,细数日漫《阴阳师》动画
-
2025-12-16 19:08:31
-
- "屠呦呦:探索青蒿素、驱除疟疾的科学巨星"
-
2025-12-16 19:06:16



日本男演员影响力榜单TOP10出炉!第一名果然是他……
妻子常年在外,丈夫与岳母日久生情,两人正上床时妻子推门而入
李天一案另外四人真实背景(李天一案始末及全程细节)
江湖故事-聂磊 杜城 常胜Vs内蒙古云家《2》
日本天皇一年能挣多少钱?人民币1万都不到,却为何过得如此舒服
袁心玥私密生活大曝光?袁心玥男友是谁?袁心玥和妈妈的小秘密?
广州市历任市委书记
“当官当副,不当常务”,是什么意思?常务副职和一般副职区别
扩散丨银川河东机场大巴发车时间有调整!最新时刻表在这里!
日本酒清酒的度数是多少?